搜索
CN
在线咨询
产品
行业
工业物联网和解决方案
服务
公司
产品分类
工业通信
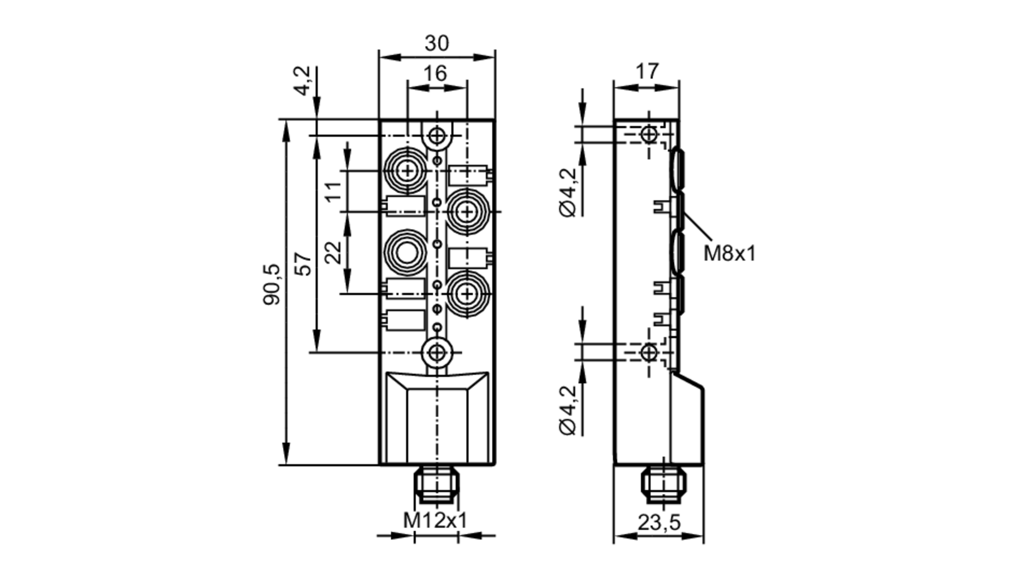
AS-Interface I/O模块
带旋紧安装CompactLine的紧凑型现场模块
AC2484