• 产品
  • 行业
  • 工业物联网和解决方案
  • 服务
  • 公司
  1. 产品分类
  2. 传感器
  3. 电感式接近开关
  4. 所有电感式接近开关
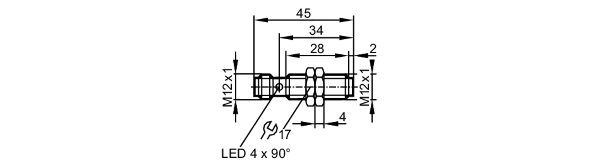
  5. IFT259