搜索
CN
在线咨询
产品
行业
工业物联网和解决方案
服务
公司
产品分类
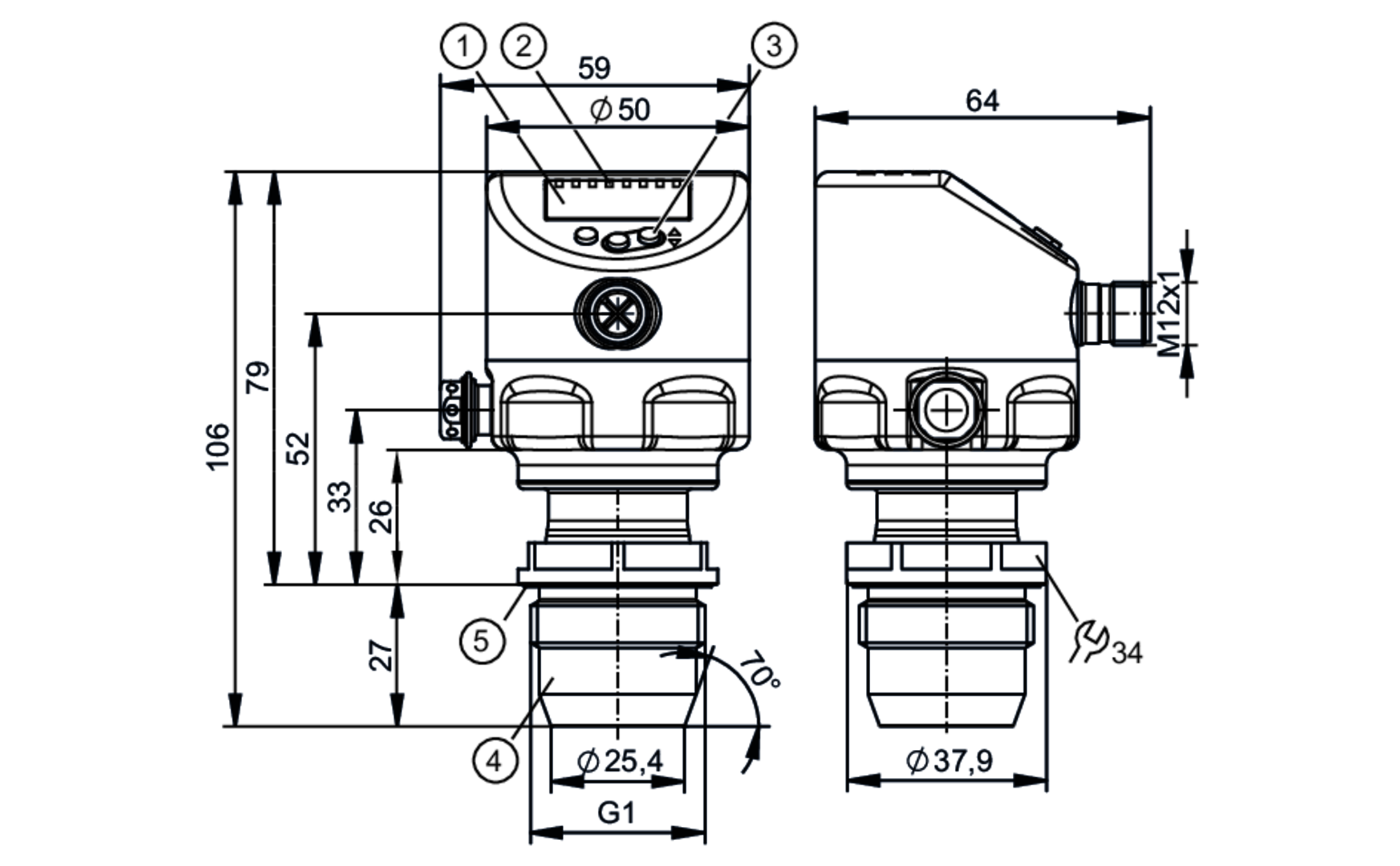
传感器
压力传感器 / 真空传感器
用于过程技术的带显示屏全金属外壳
PI1804