搜索
CN
在线咨询
产品
行业
工业物联网和解决方案
服务
公司
产品分类
传感器
流量传感器 / 流量计
用于对压缩空气和工业气体进行消耗量测量的系统
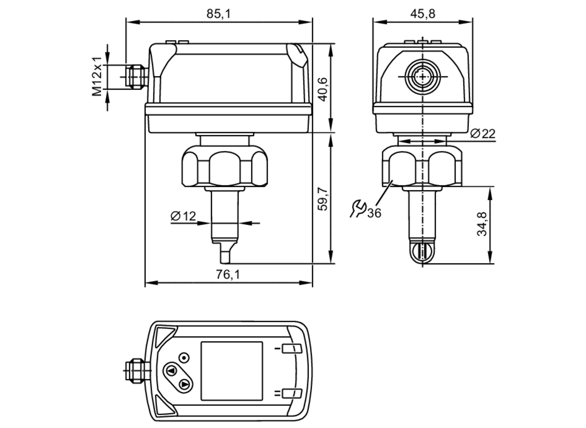
SD1540