• 产品
  • 行业
  • 工业物联网和解决方案
  • 服务
  • 公司
  1. 新品首发
  2. 附件
  3. 适合现场使用的继电器插头

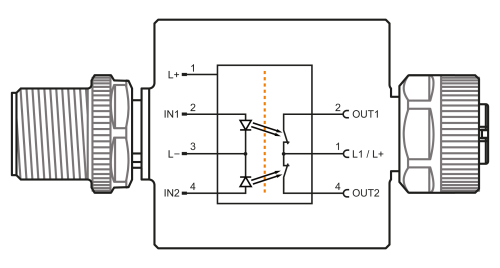
适合现场使用的继电器插头

  • 防护等级高达IP 67,非常适合现场应用
  • 可靠的M12连接技术
  • 双通道版本 无磨损、无弹跳的固态继电器
  • 输入与输出电气隔离

在现场使用继电器替代控制柜

凭借高防护等级和M12连接技术,越来越多的自动化技术组件适用于现场使用。原则上,它们提供24 V电压级别的半导体输出,最大开关电流在20到300 mA之间。若需其他电压、更高的开关电流或电气隔离,则继电器是备受欢迎的解决方案,然而到目前为止这需要绕行控制柜。

利用ifm的全新继电器插头,现在可以直接在现场上使用继电器。它们使用现场常用的M12连接技术,可以轻松并可靠连接。而凭借紧凑的设计,它们可以使用Y形转接器等直接螺旋固定到传感器上。

安全隔离

由于输入与输出电气隔离,输入端的24 V DC信号可以切换输出端的另一独立的电压信号。

小电流控制大电流

继电器插头可以使用小电流切换输出端高达1 A的大电流,例如传感器输出端的电流等。

可靠且无磨损

插头中使用的固态继电器可以“干净”地完成切换操作:没有开关弹跳、没有接触面焊接,并且无磨损。因此该继电器极其耐用。

连接简单

使用符合工业标准的可靠M12连接技术直接连接现场的其他设备。必要时,可以在输入端通过EBC116 Y形分配器或在输出端通过EVCA47 Y形连接电缆连接外部电源。